Bàn cầu trẻ em 1 khối Caesar giá rẻ C1352
Bàn cầu là thiết bị vệ sinh cần thiết trong mỗi gia đình và bàn cầu trẻ em là sản phẩm hợp lý để sử dụng trong phòng vệ sinh của các bé nếu gia đình bạn có 2 cháu trở lên.
Bàn cầu trẻ em sẽ giúp bạn tránh lãng phí khi phải bỏ nhiều tiền ra mua bàn cầu người lớn trong khi công năng sử dụng không tận dụng hết. Vậy bàn cầu trẻ em Caesar 1 khối mà chúng tôi giới thiệu có đặc điểm gì, tính năng ra sao và giá bán thế nào? Hãy cùng Bùi Minh tìm hiểu nhé.
- Dòng sản phẩm bồn cầu trẻ em 1 khối Caesar C1352 của hãng Nội thất nhà tắm Caesar
- CD1340 với thiết kế mới đơn giản, gọn gàng và sang trọng phù hợp với nhiều không gian khác nhau
- Bồn cầu CAESAR C1352 1 khối ứng dụng kỹ thuật xả thẳng tiên tiến cuốn trôi mọi vết bẩn
Thông số của bồn cầu trẻ em CAESAR C1352
- Mã số: C1352
- Loại bàn cầu: Một khối
- Màu sắc: Màu trắng (PW)
- Chế độ xả: 1 nút nhấn
- Lượng nước xả: 4.5L
- Hệ thống xả: Xả hút
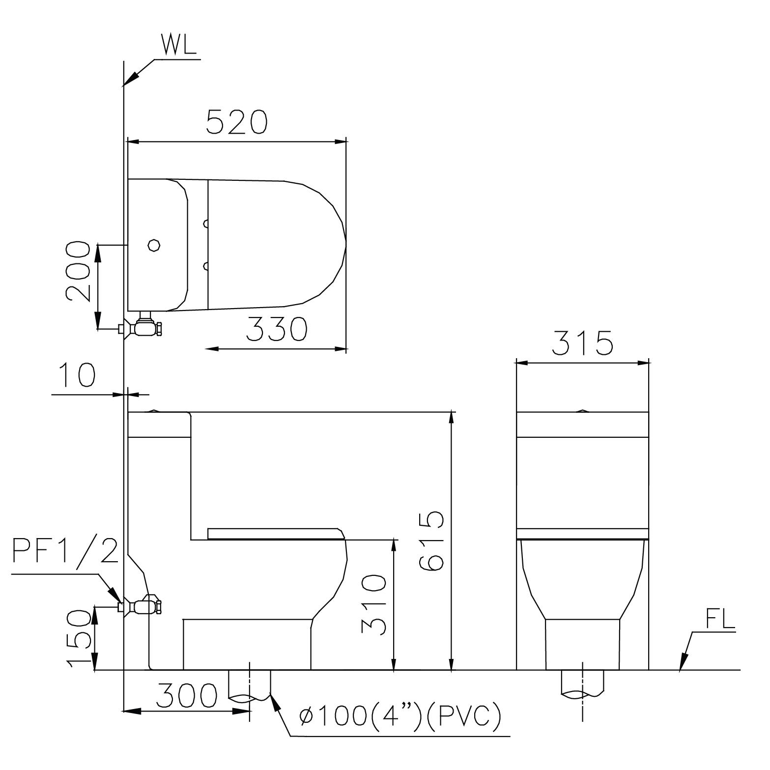
- Kích thước: 515 x 320 x 615 mm (dài x rộng x cao)
Thông tin lắp đặt bệ xí bệt C1352
- Tâm thoát phân: 300 mm
- Kiểu thoát phân: Thoát xuống sàn
- Áp lực nước: 0.7-5 kgf/cm² (0.07-0.5MPa)
- Nắp bàn cầu êm: M284
Bản vẽ kỹ thuật bệt vệ sinh 1352

Giá bán bàn cầu trẻ em C1352
Giá gốc: 3.176.000 đ
Giá khuyến mại: 2.180.000 đ tích kiệm 996.000 đ
Nếu bạn yêu thích sản phẩm này đừng ngại ngùng nhấc máy lên liên hệ ngay với chúng tôi và xem trực tiếp sản phẩm.
Liên hệ ngay chúng tôi: Caesar Bùi Minh
Địa chỉ: BT3 Lô 8, KĐT Vinaconex 3, Trung Văn, Nam Từ Liêm, Hà Nội, Việt Nam
Email: cskh@bm8.vn
Hotline: 0968.458.885
Website: https://Caesarbm.com
Caesar, Caesar giá rẻ, thiết bị vệ sinh Caesar, bàn cầu Caesar, bệt Caesar